
发卖:19224886408
发卖:17346546283
手艺人:18611287598
传真号码:010-68465926
Q Q:3226344213
邮箱地址:info@ahrbqn.cn
位置:青岛市海淀区大慧寺6号北区20号楼层105室

HMLDM-DM20HT-PN2型低温激光测距仪
时候:2025-11-22 06:40

一、概述:
HMLDM-DM20HT-PN2型低溫缴光测距仪专门使用于低溫固体颗粒、气体的主导地位、尺寸图、高强度的侧量。经过环节profinet流量体例将资料文件传输安全位我们的体内系。● 丈(zhang)量𒆙低温物体(ti),能坚持很高(gao)的丈(zhang)量精度和靠得住(zhu)性
● 丈量精度<±1mm,分辩(bian)率0.1mm
● 利用白色可(ke)见激光束,丈量(liang)规模可(ke)达30米
● 规范(fan)的profinet接(jie)口,矫(jiao)捷靠得住
● 不锈(xiu)钢(gang)外(wai)壳,可通水、气停止冷(leng)却(que)
二、手艺数据:
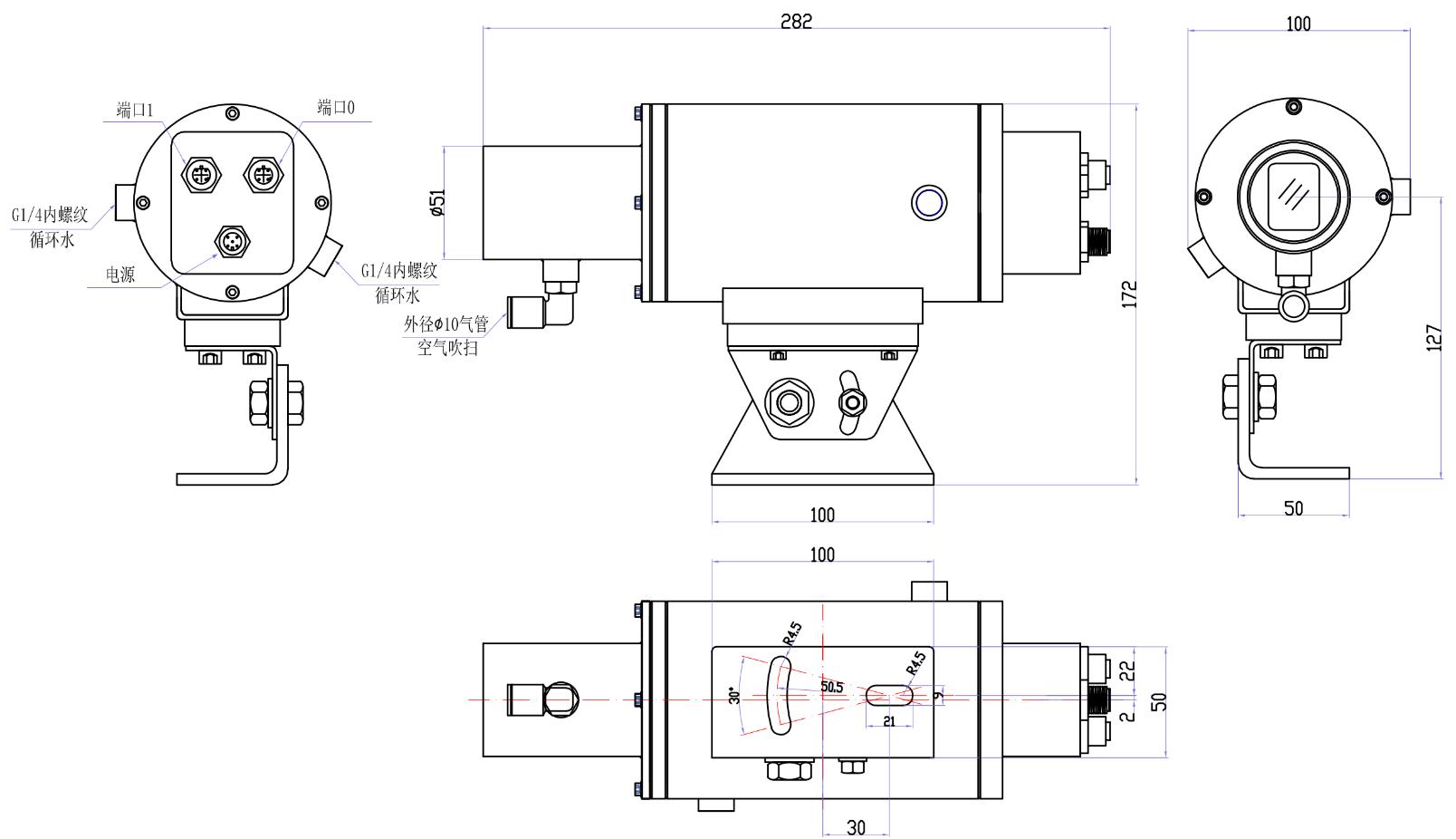
三、形状尺寸:
四、可选附件:
下一篇:不了 上一篇:低温激光测距仪



