
发卖:19224886408
发卖:17346546283
匠人:18611287598
发传真:010-68465926
Q Q:3226344213
邮箱号:info@ahrbqn.cn
地方:郑州市海淀区大慧寺9号北区20号楼一个105室

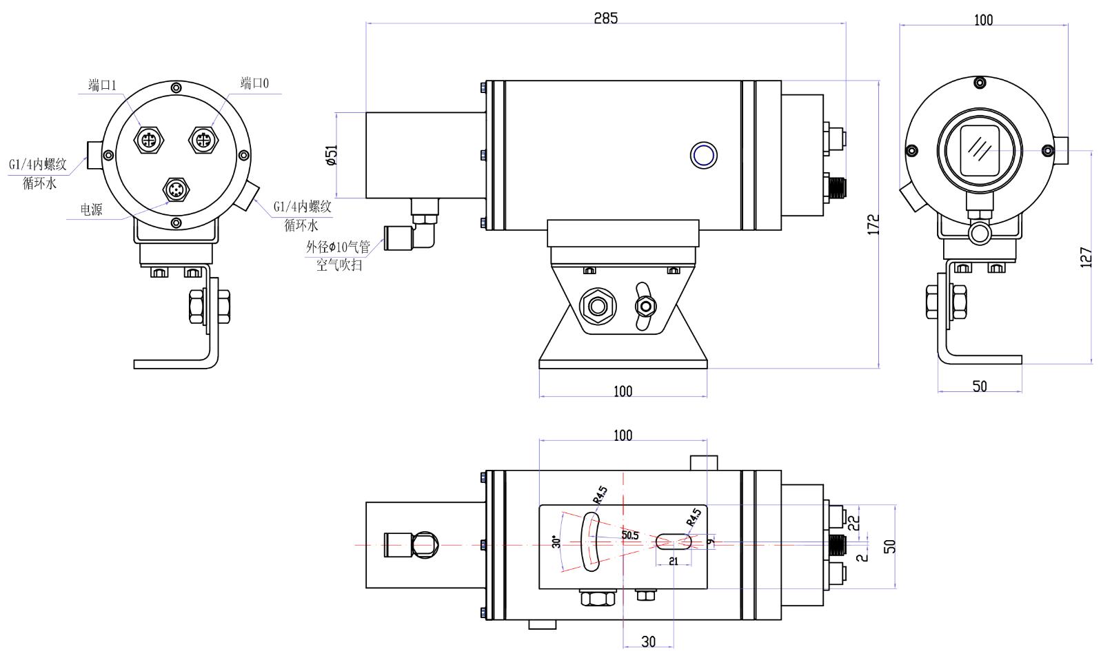
HMLDM-SJ20HT-PN型低温激光测距仪
时候:2025-11-22 06:43

一、概述:
HMLDM-SJ20HT-PN型较温度过低度激光束测距仪特意用作较温度过低度胶体、溶剂的状态、尺寸规格、长度的仗量。经过全过程profinet通迅体例将的数据视频传输向上位防御反应系。● 丈量低温(𝐆wen)物体,能ও坚持很高的(de)丈量精度(du)和靠得(de)住(zhu)性(xing)
● 丈量精度±1mm,分辩率0.1mm
● 利(li)用(yong)白色可(ke)见激光(guanꦇg)束,丈(zhang)量规模可(ke)达20米
● 规范的(de)profinet接口,矫捷(jie)靠(kao)得住
● 不锈(xiu)钢外(wai)壳,可通(tong)水(shui)、气停止冷却(que)
二、手艺数据:
三、形状尺寸:
四、可选附件:
下一篇:低温激光测距仪 上一篇:加热炉钢坯地位检测器



