
发卖:17346546283
发卖:010-68465926
手艺人:18611287598
网络传真:010-68465926
Q Q:3226344213
油箱:info@ahrbqn.cn
时间:长沙市海淀区大慧寺八号北区20号楼一份105室

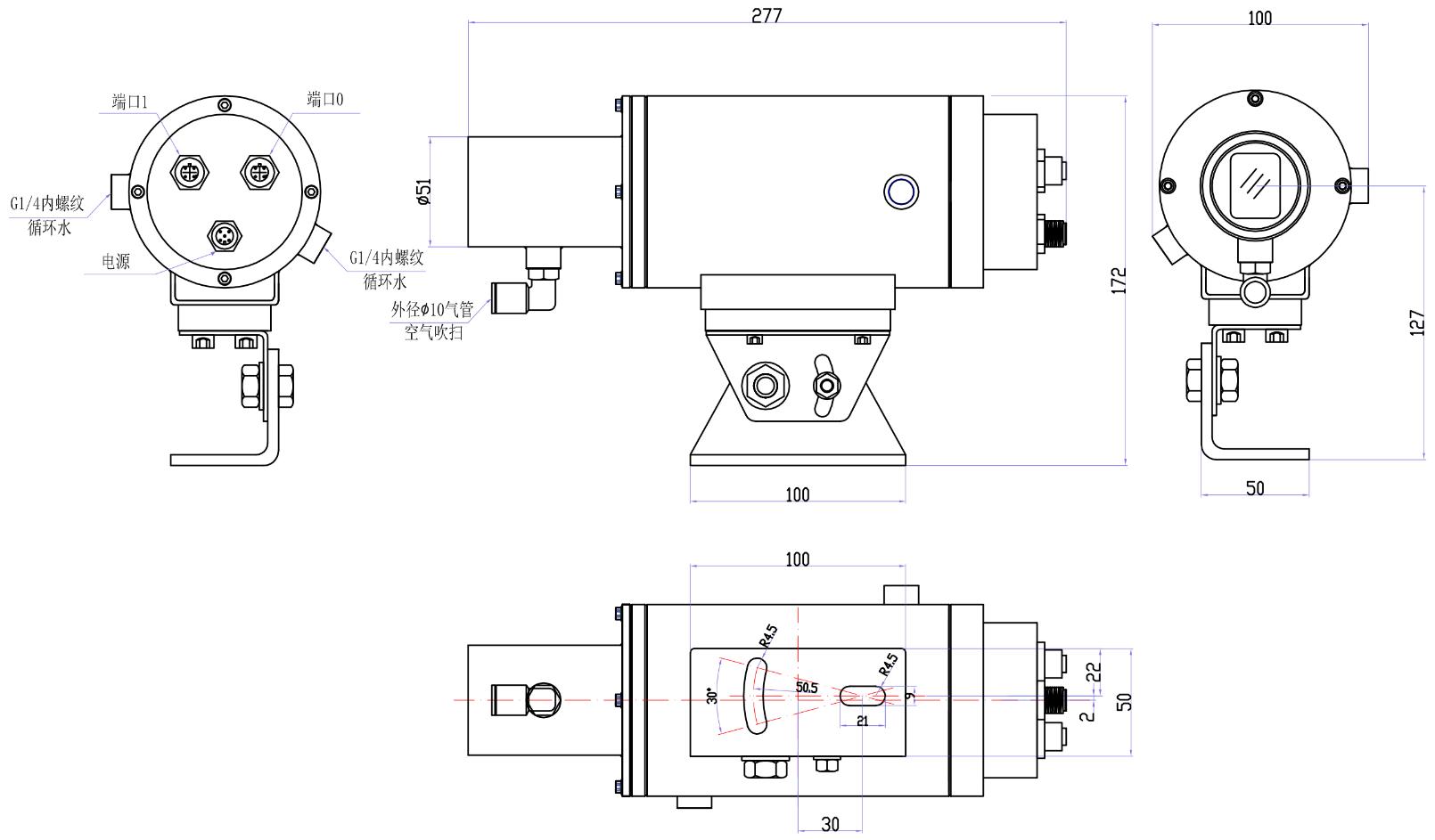
HMLDM-DM20HT-PN型低温激光测距仪
时候:2025-11-22 06:41

一、概述:
HMLDM-DM20HT-PN型高温制冷的效果脉冲激光测距仪特意在高温制冷的效果透明液体、透明液体的价值、面积、相对高度的精确测量。所经时候profinet通讯体例将数值输送至位神经细胞系。🎶● 丈量低温物体,能(neng)坚(jian)持(chi)很高的丈量精度和靠得(de)住(zhu)性
● 丈量(l♕iang)精度<±ඣ;1mm,分辩率(lv)0.1mm,反(fan)复(fu)性±0.5mm
● 利(li)用(yong)白色(se)可见激光束,丈量规(gui)模可达(da)30米
● 规范的(de)profinet接口(kou),矫捷(jie)靠得住
● 不锈钢外壳,可通水、气停止(zhi)冷却(que)
二、手艺数据:
三、形状尺寸:
四、可选附件:



