
发卖:19224886408
发卖:17346546283
手艺人:18611287598
网络传真:010-68465926
Q Q:3226344213
电子邮件:info@ahrbqn.cn
地区:背景市海淀区大慧寺2号北区20号楼一份105室

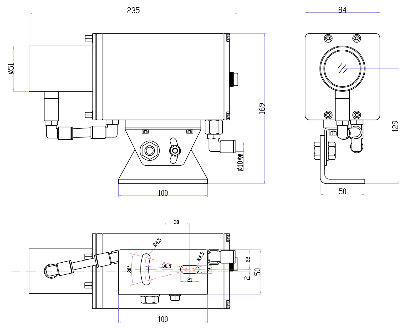
GOLDY-10AF-MC型激光铝水液位计
时候:2025-11-22 06:33

一、概述:
GOLDY-10AF-MC型激光机器铝水液位计能作于对各样铝熔炼炉、铝液流槽、铝浇铸等工程下的铝水液面髙度停止工作测量。● RS485Modbus、4~20mA、RS232三种旌旗灯号输入体例
● 丈量精度<±1mm,分辩率0.1mm
● 利用(yong)白色可见(jian)激(ji)光束,丈量规模可达10米
● 可调(diao)节支(zhi)架,易于(yu)装置调(diao)剂
● 双(shuang)层合金铝(lv)外壳,规范快插接口,可通紧缩氛围冷(lengꦛ)却和光路吹扫
二、手艺数据:
三、形状尺寸:
四、可选附件:



