
发卖:19224886408
发卖:17346546283
活儿:18611287598
传真号码:010-68465926
Q Q:3226344213
163邮箱:info@ahrbqn.cn
地区:背景市海淀区大慧寺2号北区20号楼一次105室

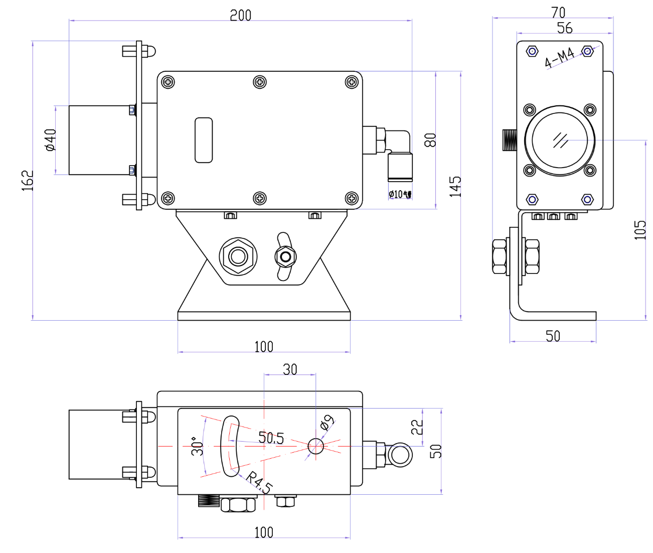
GOLDS-10AL型激光铝水液位计
时候:2025-02-27 20:44

一、概述:
GOLDS-10AL型缴光铝水液位计可以用于对几大类工作内容下的铝水液面髙度停止工作测量。● 开关量(l🦋iang)、摹(mo✨)拟量(liang)电压或电流三种旌(jing)旗灯号输(shu)入体例
● 丈量精度<±2mm,分辩率1mm
● 利(li)用白色可见激光(guang)束(shu),丈量规模可达10米
● 四(si💟)位数码显现(xian),按键(jian)设(she)置(zhi)参(can)数,易于操纵
● 产(chan)业级(ji)外壳,规范快插接口,可通紧缩氛(fen)围(wei)冷却
二、手艺数据:
三、形状尺寸:
四、可选附件:



